中 華 人 民 共 和 國 化 工 行 業 標 準
HG/T 2036-2005
代替 HG/T 2036一1991
搪玻璃容器參數
前言
本標準代替HG/T 2036- 1991《搪 玻璃容器參數》。本標準參照了DIN 28018《搪玻璃壓力容器0. 063 m3 ~10 m3》、DIN 28019《搪玻璃壓力容器12. 5 m3~125 m3》以及DIN 28136 第一部分《攪拌容器主要尺寸》的部分內容,并結合 了我國搪玻璃行業的國情。
本標準與HG/T 2036- 1991 相比主要變化如下:
——搪玻璃開式攪拌容器的公稱容積由50L至5000L擴大到50L至8000L,增加了6300L和8000L兩個公稱容積;
——搪玻璃閉式攪拌容器的公稱容積由2500L至20000L擴大到2500L至40000L,增加了25 000L、30 000 L、40000 L三個公稱容積;
——搪玻璃開式貯存容器的公稱容積由50L至5000L擴大到50L至8000 L,增加了2 500 L、6300L、8000L三個公稱容積;
——搪玻璃閉式貯存容器的公稱容積由3000L至30000L擴大到1000L至80 000L,增加了1000L、1250L、1500L、2000L、2500L、40000L、50000L、63000L、80000L九個公稱容積;
——搪玻璃臥式貯存容器的公稱容積由3000L至30000L擴大到1500L至80000L,增加了1 500 L、2 000 L、2 500 L、40 000 L、50 000 L、63 000 L、80000 L七個公稱容積;
——對H值重新進行了定義,并對表格進行了重新編排。
本標準由中國石油和化學工業協會提出。
本標準由全國搪玻璃設備標準化技術委員會歸口。
本標準起草單位:中國石化集團上海工程有限公司。
本標準主要起草人:周惠萍、汪揚、錢小燕。
本標準所代替標準的歷次版本發布情況為:
——HG/T 2036- 1991。
搪玻璃容器參數
1范圍
本標準規定了搪玻璃攪拌容器和搪玻璃貯存容器的型式、基本參數及主要尺寸。
本標準適用于公稱壓力小于或等于1.0 MPa,公稱容積50L至40000L的搪玻璃攪拌容器,以及公稱壓力小于或等于0.6 MPa,公稱容積50L至80 000 L的搪玻璃貯存容器。
2規范性引用文件
下列文件中的條款通過本標準的引用而成為本標準的條款。凡是注日期的引用文件,其隨后的所有修改單(不包括勘誤的內容)或修訂版均不適用于本標準.然而,鼓勵根據本標準達成協議的各方研究是否可使用這些文件的最新版本。凡是不注日期的引用文件,其最新版本適用于本標準。
GB/T 7996搪玻璃 容器公稱容積與公稱直徑
B/T 4746 鋼制壓力容器用封頭
3型式、基本參數及主要尺寸
3.1 型式
搪玻璃攪拌容器分為開式攪拌容器和閉式攪拌容器.搪玻璃貯存容器分為開式貯存容器、閉式貯存容器和臥式貯存容器,公稱容積和公稱直徑應符合GB/T 7996 的規定,封頭應符合JB/T 4746的規定。
3.2 基本參數和主要尺寸
3.2.1搪玻璃開式攪拌容器公稱容積為50L至8000L,基本參數和主要尺寸按圖1及表1的規定。


3.2.2 搪玻璃閉式攪拌容器公稱容積為 2500 L至 40000 L,基本參數和主要尺寸按圖 2及表 2的規定 。

3.2.3 搪玻璃開式貯存容器公稱容積為 50L至 8000L,基本參數和主要尺寸按圖 3及表3的規定 。

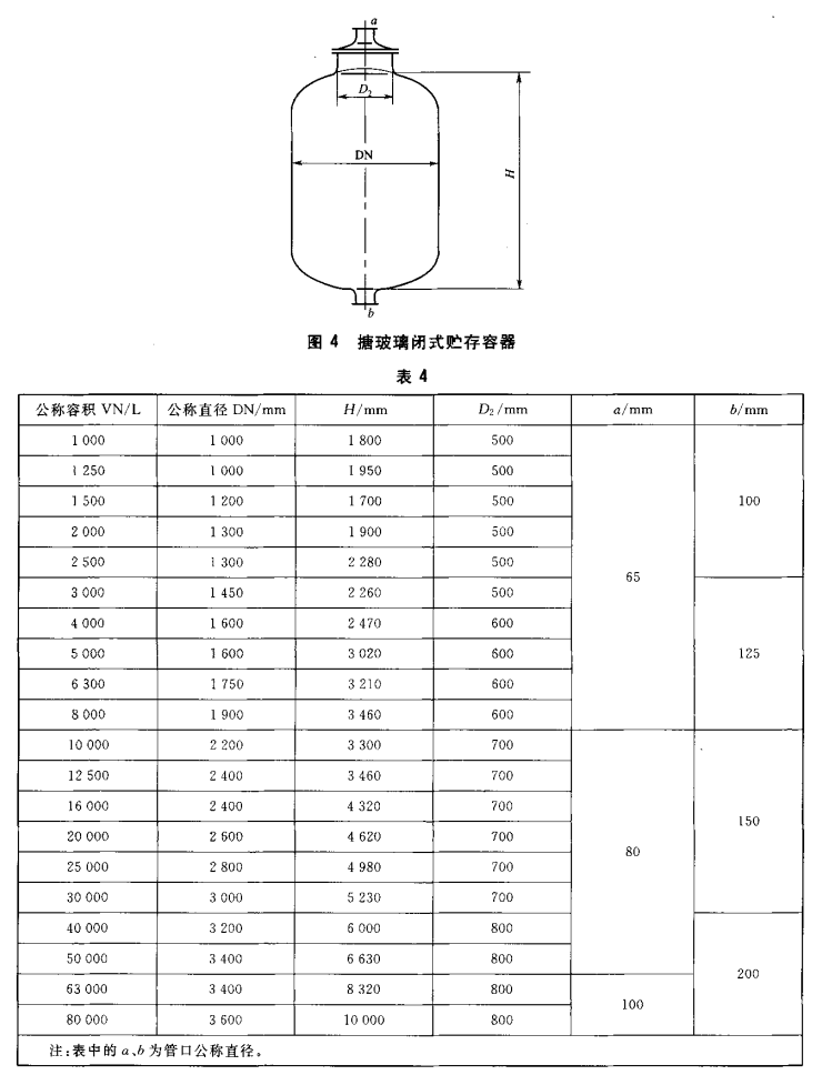
3.2.4 搪玻璃閉式貯存容器公稱容積為 1000L至80000 L,基本參數和主要尺寸按圖 4及表4的規定 。

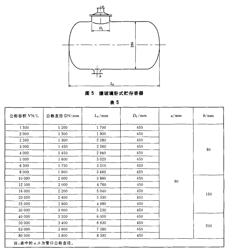
3.2.5 搪玻璃臥式貯存容器公稱容積為 1 500 L至 80000 L,基本參數和主要尺寸按圖5及表5的規定 。
